0грн.
Оформить заказ- Производитель: Україна
- Модель: ТКГ-300
- Артикул: 037570
- Наличие: Есть в наличии
Применяются в механизмах подъемно-транспортного, дорожно-строительного, металлургического и других видов оборудования. Тормоза колодочные предназначены для остановки и удержания в неподвижном состоянии валов механизмов при неработающем электродвигателе.
В устройство колодочного тормоза входят следующие составляющие: электрогидравлический толкатель, тяги, колодки, пружина, рычажная система, основание, фиксаторы колодок, а также регулировочные винты.
В зависимости от типа используемого привода тормоза колодочные подразделяются:
ТКТ-200/300-СУ У2 — тормоз колодочный с электромагнитным приводом переменного тока.
ТКП-200, 300, 400, 500, 600, 700, 800-СУ У2 — тормоз колодочный с электромагнитным приводом постоянного тока.
ТКГ-160, 200, 300, 400, 500-СУ У2 — тормоз колодочный с электрогидравлическим приводом.
| № п/п |
Наименование | Типоразмер тормоза | ||||
| ТКГ-160- СУ-У2 | ТКГ-200- СУ-У2 | ТКГ-300- СУ-У2 | ТКГ-400- СУ-У2 | ТКГ-500- СУ-У2 | ||
| 1 | Расчетный тормозной момент, Нм. | 100 | 300 | 800 | 1500 | 2500 |
| 2 | Диаметр тормозного шкива, мм. | 160 | 200 | 300 | 400 | 500 |
| 3 | Частота тока, Гц. | 50 | 50 | 50 | 50 | 50 |
| 4 | Напряжение, В. | 220/380 | 220/380 | 220/380 | 220/380 | 220/380 |
| 5 | Тип гидротолкателя | ТЭ-30 | ТЭ-30 | ТЭ-50 | ТЭ-80 | ТЭ-80 |
| 6 | Номинальное усилие на штоке гидротолкателя не менее, Н. | 300 | 300 | 500 | 800 | 800 |
| 7 | Ход штока гидротолкателя не менее, мм. | 32 | 32 | 60 | 60 | 60 |
| 8 | Время наложения колодок, с. | 0,2 | 0,2 | 0,35 | 0,4 | 0,4 |
| 9 | Масса тормоза в сборе не более, кг. | 22 | 26 | 45 | 75 | 103 |
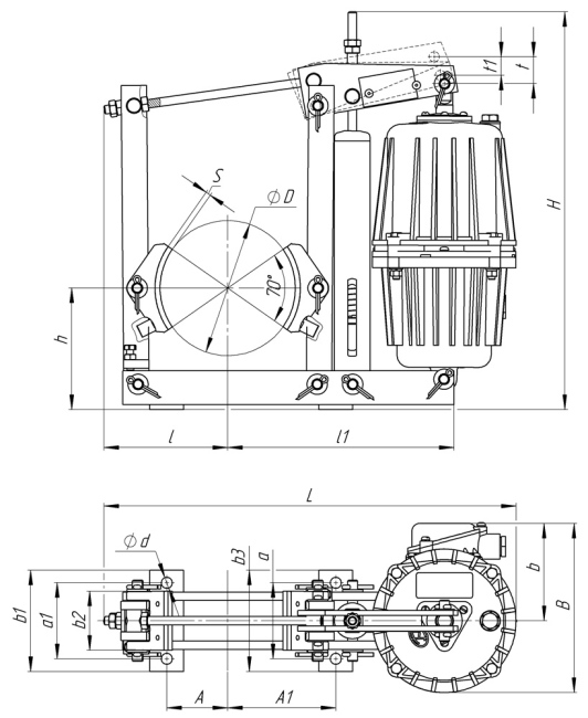
| Типоразмер тормоза | L | H | h | A | A1 | a | a1 | b | b1 | b3 | b2 | l | l1 | S | D | d | t | t1 | B |
| ТКГ-160-СУ-У2 | 490 | 455 | 144 | 72 | 128 | 90 | 90 | 116 | 120 | 120 | 70 | 147 | 268 | 6 | 160 | 13 | 32 | 22 | 200 |
| ТКГ-200-СУ-У2 | 630 | 455 | 170 | 175 | 175 | 120 | 60 | 116 | 90 | 150 | 90 | 195 | 355 | 8 | 200 | 18 | 32 | 22 | 200 |
| ТКГ-300-СУ-У2 | 785 | 560 | 240 | 250 | 250 | 150 | 80 | 116 | 120 | 193 | 140 | 275 | 429 | 8 | 300 | 22 | 60 | 40 | 200 |
| ТКГ-400-СУ-У2 | 880 | 670 | 300 | 170 | 170 | 68 | 68 | 116 | 125 | 125 | 180 | 308 | 495 | 8 | 400 | 22 | 60 | 40 | 200 |
| ТКГ-500-СУ-У2 | 1065 | 765 | 400 | 205 | 205 | 85 | 85 | 116 | 150 | 150 | 200 | 380 | 647 | 10 | 500 | 27 | 60 | 40 | 200 |

Нет отзывов о данном товаре.