0грн.
Оформить заказ- Производитель: Україна
- Модель: ПВГС-85
- Артикул: 10710
- Наличие: Есть в наличии
6 332грн.
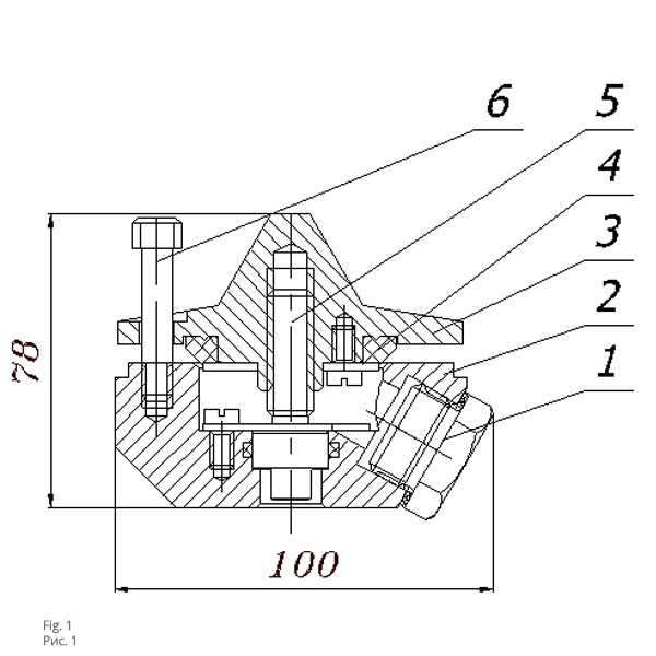
Пробка водогрязеспускная (массой 2,1 кг) предназначена для удаления воды и механических примесей, скопившихся на дне резервуара.
Пробка вваривается в днище вертикального резервуара или в нижнюю часть цилиндра горизонтального наземного резервуара. Геометрические и присоединительные размеры приведены на рисунке 1.

1-пробка сливного отверстия, 2-корпус, 3-клапан, 4-кольцо, 5-ось, 6-винт ходовой
Характеристики
Характеристики
Тип прибора
Оборудование АЗС
Условное проходное сечение (DN), мм
85
Масса
2,1 кг
Отзывов (0)
Нет отзывов о данном товаре.