0грн.
Оформить заказ- Производитель: Україна
- Модель: ПОУ-25 СА
- Артикул: 10680
- Наличие: Есть в наличии
1 774грн.
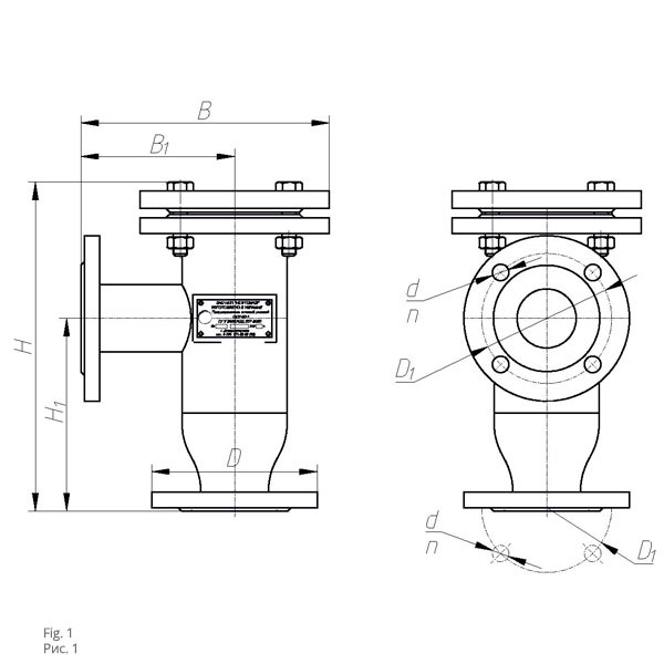
Предохранитель огневой угловой (в дальнейшем ПОУ) предназначен для временного предотвращения проникновения пламени внутрь резервуара с нефтью и нефтепродуктами и устанавливаются на трубопроводах с продуктом.
Предохранитель огневой угловой устанавливают на всасывающем или сливном трубопроводах резервуаров АЗС.
Возможно применение ПОУ в резервуарах с другими продуктами для обеспечения противопожарной защиты, при этом, в зависимости от жидкости и давления, предохранители огневые могут изготавливаться: корпус — из стали или нержавеющей стали; кассета — из алюминия или нержавеющей стали.
| ТЕХНИЧЕСКИЕ ХАРАКТЕРИСТИКИ | ||||||||||
| Ду | В | В1 | D | D1 | d | n | Н | Н1 | Масса, кг | |
| ПОУ-50 | 50 | 210 | 130 | 140 | 110 | 14 | 4 | 280 | 163 | 10 |
| ПОУ-80 | 80 | 245 | 150 | 185 | 150 | 18 | 4 | 326 | 188 | 16 |
| ТЕХНИЧЕСКИЕ ХАРАКТЕРИСТИКИ | ||||||||||||
| DN | D | D1 | D2 | D3 | d1 | n1 | d2 | n2 | B | Н | Н1 | |
| ПОУ-50 | 50 | 140 | 110 | 150 | 185 | 14 | 4 | 18 | 4 | 81 | 245 | 175 |
| ПОУ-80 | 80 | 185 | 150 | 170 | 205 | 18 | 4 | 18 | 4 | 126 | 315 | 220 |


Характеристики
Характеристики
Тип прибора
Оборудование противопожарное
Условное проходное сечение (DN), мм
25
Отзывов (0)
Нет отзывов о данном товаре.