0грн.
Оформить заказ- Производитель: Україна
- Модель: Н403ЕР
- Артикул: 080340
- Наличие: Есть в наличии
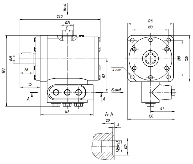
Насос Н40 (Эксцентриково поршневой насос) предназначен для нагнетания чистого минерального масла в гидравлические системы станков, прессов, подъемников и других машин, где требуется нерегулируемая производительность и высокое давление.
Насос работает на чистых минеральных маслах «Турбинное 22» и «22-П» ГОСТ 32 – 74, «ВНИИНП-412» и других маслах, имеющих аналогичные качества при температуре от 0 до 500С.
Техническая характеристика насоса приводится при работе на чистом минеральном масле «Индустриальное 20» при температуре 50°С.
Обозначение маркировки гидронасоса насоса Н-400 — насос поршневой; рабочий объём — 4 см3; минимальное давление — 200 бар.
Технические характеристики насосов данного типа остаются неизменными в процессе работы и зависят только от крутящего момента, т.к. конструкция корпуса насоса Н-400 не позволяет регулировать его параметры и оказывать влияние на работу поршня.
Производительность радиально-поршневых насосов колеблется от 5 до 35 л/мин. в зависимости от модели. Для удобства был разработан универсальный вариант эксцентрикового гидронасоса - Н-400Е. Данная модель имеет возможность подавать рабочую среду в любом из двух направлений
|
Наименование параметра |
Типоразмер |
|||||
|
Н-400ЕР |
Н-400УР |
Н-401ЕР |
Н-401УР |
Н-403ЕР |
Н-403УР |
|
|
Номинальный рабочий обьем, смЗ |
4 |
4 |
12,85 |
12,85 |
25,7 |
25,7 |
|
Номинальная подача, л/мин., не менее |
5,5 |
5,5 |
17 |
17 |
34 |
34 |
|
Частота вращения, об/мин. |
1500 |
|||||
|
Давление на выходе, МПа Номинальное, не более Максимальное, не более |
20 25 |
20 25 |
32 40 |
32 40 |
32 40 |
32 40 |
|
Давление на входе, МПа Максимальное, не более Минимальное, не менее |
0,01 0,005 |
0,01 0,005 |
0,01 0,005 |
0,01 0,005 |
0,01 0,005 |
0,01 0,005 |
|
Коэфициент подачи, %, не менее |
80 |
80 |
88 |
88 |
88 |
88 |
|
Номинальная мощность, кВт |
2,1 |
2,1 |
10,7 |
10,7 |
21 |
21 |
|
Направлене вращения приводного вала |
Любое |
|||||
|
Вес, кг, не более |
15,5 |
15,5 |
41 |
42 |
50 |
50 |




