0грн.
Оформить заказ- Производитель: Україна
- Модель: Г 11-25Ю
- Артикул: 080296
- Наличие: Есть в наличии
Насос Г11-11 предназначен для нагнетания под номинальным давлением 0,5МПа (5 кгс/см2) постоянного по величине и направлению потока минерального масла с кинематической вязкостью от 17 до 400 мм2/с (сСт) при температуре масла от 283 до 328 К (от 10 до 55°С) в смазочные системы станков и других стационарных машин.
Материалы основных деталей насоса Г-11:
- корпус — чугун;
- крышка — алюминиевый сплав;
- шестерни — хромистая сталь.
Уплотнение вала — манжетное.
|
Значение параметров для типоразмеров |
||||||||
|
Наименование параметра |
АГ11- |
АГ11- |
ВГ11- |
Г11- |
АГ11- |
АГ11- |
ВГ11- |
Г11- |
|
Рабочий объем, см3 |
5,0 |
8,0 |
||||||
|
Номинальная подача, |
0,083 (5) |
0,133 (8) |
||||||
|
Номинальная мощность |
0,140 |
0,210 |
||||||
|
Масса, кг не более |
2,8 |
3 |
||||||
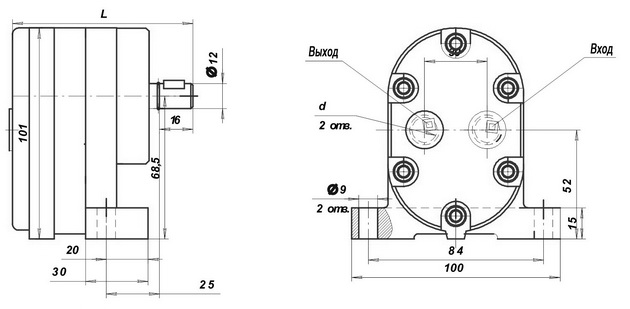
Насосы АГ11- 11-1, АГ11- 11А-1 - насос с фланцевым соединением
Габаритные и присоединительные размеры

|
Типоразмеры |
Обозначение размеров |
|
L |
|
|
АГ11-11А-1 |
81 |
|
АГ11-11-1 |
86 |
Насосы АГ11-11, АГ11-11А - насос с фланцевым соединением
Габаритные и присоединительные размеры

|
Типоразмеры |
Обозначение размеров |
||
|
l |
L |
d |
|
|
АГ11-11А |
81 |
121 |
К1/4" |
|
АГ11-11 |
86 |
127 |
КЗ/8" |
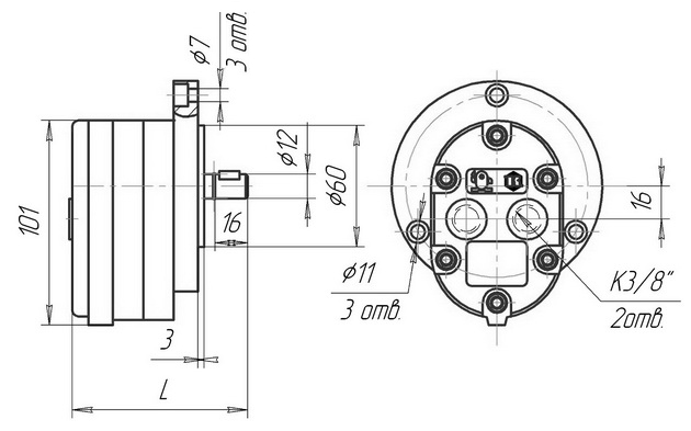
Насосы ВГ11-11, ВГ11-11А - насос с муфтой и электродвигателем
Габаритные и присоединительные размеры

|
Типоразмеры |
Обозначение размеров |
||
|
l |
L |
d |
|
|
ВГ11-11А |
81 |
121 |
К1/4" |
|
ВГ11-11 |
86 |
127 |
КЗ/8" |
Насосы Г11-11, Г11-11А - насос на лапах
Габаритные и присоединительные размеры

|
Типоразмеры |
Обозначение размеров |
|
|
I |
d |
|
|
Г11-11А |
81 |
К1/4" |
|
Г11-11 |
86 |
КЗ/8" |
Технические характеристики наосов Г-11:
|
Тип насоса |
Ном. подача, |
Рабочий объем, |
Привод, |
Вес, |
Номинальное давлениена выходе, МПа/кгс/см2 |
| Г 11-11А |
5 |
5 |
0,14 |
2,2 |
0,5/5 |
| Г 11-11 |
8 |
8 |
0,21 |
2,2 |
|
| БГ 11-11А |
5 |
5 |
0,25 |
12,5 |
|
| БГ 11-11 |
8 |
8 |
0,37 |
12,5 |
|
| Г 11-22А |
12,3 |
11,2 |
0,93 |
7 |
2,5/25 |
| Г 11-22 |
18 |
16 |
1,3 |
7 |
|
| БГ 11-22А |
12,3 |
11,2 |
1,1/1500 |
25 |
|
| БГ 11-22 |
18 |
16 |
1,5/1500 |
27 |
|
| Г 11-23А |
26 |
22,4 |
1,7 |
10 |
2,5/25 |
| Г 11-23 |
38 |
32 |
2,3 |
10 |
|
| БГ 11-23А |
26 |
22,4 |
2,2/1500 |
26,8 |
|
| БГ 11-23 |
38 |
32 |
2,2/1500 |
26,8 |
|
| Г 11-24А |
51,5 |
40 |
2,9 |
14,5 |
2,5/25 |
| Г 11-24 |
73 |
56 |
4 |
14,5 |
|
| БГ 11-24А |
51,5 |
40 |
4/1500 |
60 |
|
| БГ 11-24 |
73 |
56 |
4/1500 |
66 |
|
| Г 11-25А |
105 |
80 |
5,5 |
21 |
2,5/25 |
| Г 11-25 |
133 |
100 |
7,1 |
21 |
|
| БГ 11-25 (А) |
105 |
80 |
5,5/1500 |
89 |
|
| БГ 11-25 |
133 |
100 |
7,5/1500 |
113 |