0грн.
Оформить заказ- Производитель: Україна
- Модель: МУ-2 для ХП-250, ХП-300, ХП-350
- Артикул: 10591
- Наличие: Есть в наличии
27 720грн.
Механизм управления хлопушкой МУ-2 предназначен для открывания (закрывания) крышки хлопушки и фиксации ее в открытом положении.
Механизм управления хлопушкой (МУ- 2) устанавливается совместно с хлопушками, проходной диаметр которых равен 250, 300, 350 мм.
Температура эксплуатации МУ-2 от минус 40 до плюс 50°С. МУ-2 монтируется на боковой стенке резервуара над хлопушкой.
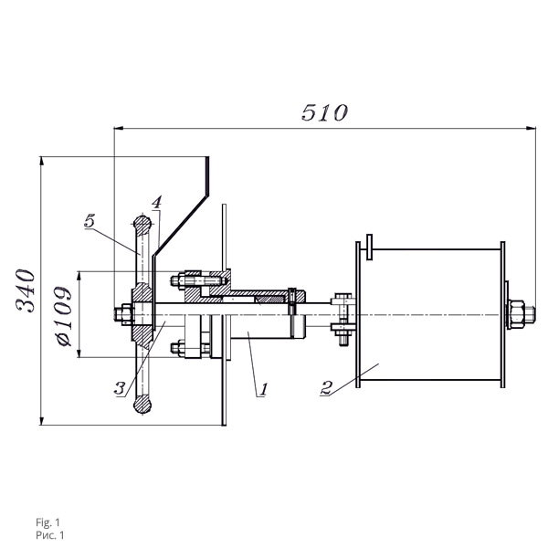
Корпус механизма управления с барабаном и тросом расположены внутри, а приводное устройство (штурвал) с наружной стороны резервуара.

1-корпус, 2-барабан, 3-вал, 4-указатель, 5-маховик.
Габаритные размеры МУ-2 приведены на рисунке.
Масса МУ-2 не более — 30 кг.
Характеристики
Характеристики
Тип прибора
Механизмы управления хлопушки
Рабочие условия применения (климатические воздействия)
от минус 40 до плюс 50°С.
Отзывов (0)
Нет отзывов о данном товаре.