0грн.
Оформить заказ- Производитель: Україна
- Модель: КС-50С
- Артикул: 10700
- Наличие: Есть в наличии
41 970грн.
Кран сифонный (водоспускной) предназначен для выпуска подтоварной воды и «мертвого» остатка нефтепродукта из резервуара.
Кран сифонный монтируется на первом поясе резервуара в месте, предусмотренном проектной документацией.
Кран сифонный КС-50с устанавливается на резервуарах емкостью до 5000 м. куб., а КС-80с — более 5000 м. куб.
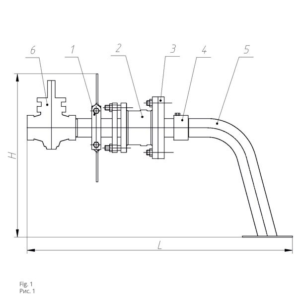
Устройство и основные размеры крана КС- 50с (80с) приведены в таблице и на рисунке.
В качестве запирающего устройства применяются краны шаровые стальные, которые предназначены для работы в среде светлых нефтепродуктов.
| ТЕХНИЧЕСКИЕ ХАРАКТЕРИСТИКИ | |||
|
Обозначение |
L, мм | Н, мм | Масса, кг, не более |
| КС-50с | 850 | 550 | 27 |
| КС-80с | 930 | 560 | 43 |

1-рукоятка, 2-корпус, 3-фланец, 4- муфта, 5-отвод, 6-кран
Характеристики
Характеристики
Тип прибора
Оборудование вспомогательное
Условное проходное сечение (DN), мм
50
Габаритные размеры
L-850, Н-550 мм
Масса
не более 27 кг
Отзывов (0)
Нет отзывов о данном товаре.